
The opening and closing parts of the J41H, J41Y, J41W national standard stainless steel globe valves are cylindrical flaps, the sealing surface is flat or conical, and the flaps move linearly along the center line of the fluid. The national standard cut-off valve is only suitable for full opening and full closing. It is generally not used to adjust the flow rate. It is allowed to be adjusted and throttled when customized.
Product Usage
The opening and closing parts of the J41H, J41Y, J41W national standard stainless steel globe valves are cylindrical flaps, the sealing surface is flat or conical, and the flaps move linearly along the center line of the fluid. The national standard cut-off valve is only suitable for full opening and full closing. It is generally not used to adjust the flow rate. It is allowed to be adjusted and throttled when customized.
Features
1. The structure is simple, the manufacture and maintenance are more convenient
2. Small working schedule and short opening and closing time
3. Good sealing performance, low friction between sealing surfaces and long service life
Executive Standards
Design specification: GB / T 12235
Structure length: GB / T 12221
Flange connection: JB / T 79
Test and inspection: JB / T 9002
Product identification: GB / T 12220
Supply specification: JB / T 7928
|
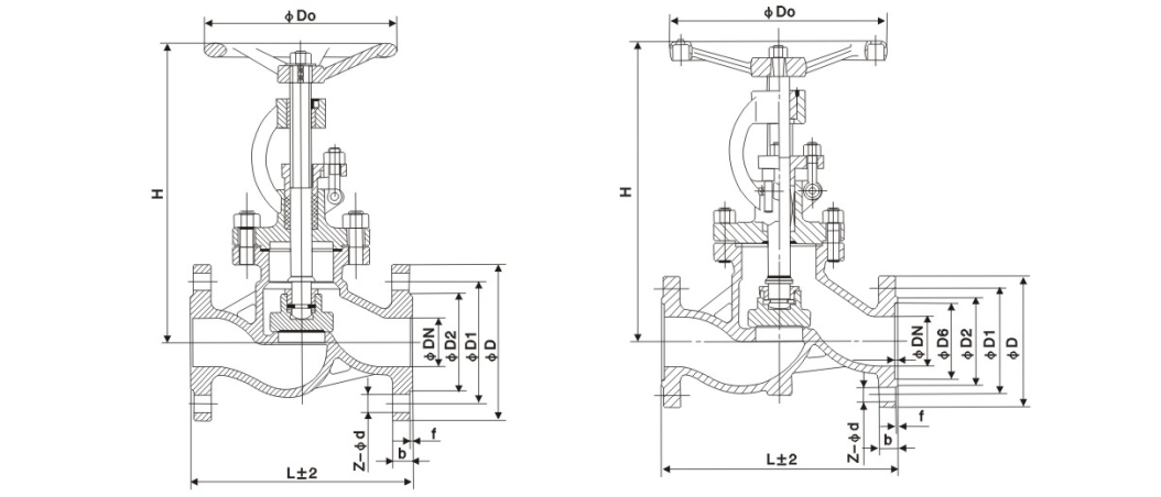
Nominal diameter
|
Main external dimensions and connection dimensions
|
|||||||
|
L
|
D
|
D1
|
D2
|
b
|
Z-d
|
H
|
D0
|
|
|
J41H-16C
|
||||||||
|
15
|
130
|
95
|
65
|
45
|
14-2
|
4-Φ14
|
170
|
120
|
|
20
|
150
|
105
|
75
|
55
|
14-2
|
4-Φ14
|
190
|
140
|
|
25
|
160
|
115
|
85
|
65
|
14-2
|
4-Φ14
|
205
|
160
|
|
32
|
180
|
135
|
100
|
78
|
16-2
|
4-Φ18
|
270
|
180
|
|
40
|
200
|
145
|
110
|
85
|
16-3
|
4-Φ18
|
310
|
200
|
|
50
|
230
|
160
|
125
|
100
|
16-3
|
4-Φ18
|
358
|
240
|
|
65
|
290
|
180
|
145
|
120
|
18-3
|
4-Φ18
|
373
|
240
|
|
80
|
310
|
195
|
160
|
135
|
20-3
|
8-Φ18
|
435
|
280
|
|
100
|
350
|
215
|
180
|
155
|
20-3
|
8-Φ18
|
500
|
300
|
|
125
|
400
|
245
|
210
|
185
|
22-3
|
8-Φ18
|
614
|
320
|
|
150
|
480
|
280
|
240
|
210
|
24-3
|
8-Φ23
|
674
|
360
|
|
200
|
600
|
335
|
295
|
265
|
26-3
|
12-Φ23
|
811
|
400
|
|
250
|
650
|
405
|
355
|
320
|
30-3
|
12-Φ25
|
969
|
450
|
|
300
|
750
|
460
|
410
|
375
|
30-3
|
12-Φ25
|
1145
|
580
|
|
350
|
850
|
520
|
470
|
435
|
34-4
|
16-Φ25
|
1280
|
640
|
|
400
|
980
|
580
|
525
|
485
|
36-4
|
16-Φ30
|
1452
|
640
|
|
J41H-25C
|
||||||||
|
15
|
130
|
95
|
65
|
45
|
16-2
|
4-Φ14
|
170
|
120
|
|
20
|
150
|
105
|
75
|
55
|
16-2
|
4-Φ14
|
190
|
140
|
|
25
|
160
|
115
|
85
|
65
|
16-2
|
4-Φ14
|
205
|
160
|
|
32
|
180
|
135
|
100
|
78
|
18-2
|
4-Φ18
|
270
|
180
|
|
40
|
200
|
145
|
110
|
85
|
18-3
|
4-Φ18
|
310
|
200
|
|
50
|
230
|
160
|
125
|
100
|
20-3
|
4-Φ18
|
358
|
240
|
|
65
|
290
|
180
|
145
|
120
|
22-3
|
8-Φ18
|
373
|
240
|
|
80
|
310
|
195
|
160
|
135
|
22-3
|
8-Φ18
|
435
|
280
|
|
100
|
350
|
230
|
190
|
160
|
24-3
|
8-Φ23
|
500
|
300
|
|
125
|
400
|
270
|
220
|
188
|
28-3
|
8-Φ25
|
614
|
320
|
|
150
|
480
|
300
|
250
|
218
|
30-3
|
8-Φ25
|
674
|
360
|
|
200
|
600
|
360
|
310
|
278
|
34-3
|
12-Φ25
|
811
|
400
|
|
250
|
650
|
425
|
370
|
332
|
36-3
|
12-Φ30
|
969
|
450
|
|
300
|
750
|
485
|
430
|
390
|
40-4
|
16-Φ30
|
1145
|
580
|
|
350
|
850
|
550
|
490
|
448
|
44-4
|
16-Φ34
|
1280
|
640
|
|
400
|
980
|
610
|
550
|
505
|
48-4
|
16-Φ34
|
1452
|
640
|
If you have any enquiry about quotation or cooperation,please feel free to email us at info@cnlg-valve.com or use the following enquiry form. Our sales representative will contact you within 24 hours. Thank you for your interest in our products.