
D373H and D373Y high-performance wafer butterfly valves adopt precise J-shaped elastic seal ring and three-eccentric multi-layer metal hard seal structure, which are widely used in metallurgy, power, petrochemical, water supply and drainage and municipal administration with medium temperature ≤425 It is used for regulating flow and carrying fluid in industrial pipelines such as construction.
【Product Usage】
D373H and D373Y high-performance wafer butterfly valves adopt precise J-shaped elastic seal ring and three-eccentric multi-layer metal hard seal structure, which are widely used in metallurgy, power, petrochemical, water supply and drainage and municipal administration with medium temperature ≤425 It is used for regulating flow and carrying fluid in industrial pipelines such as construction.
【Features】
1. The high-performance wafer butterfly valve adopts a three-eccentric sealing structure, the valve seat and the butterfly plate have almost no wear, and have a tighter sealing function
2. The sealing ring is made of stainless steel, which has the dual advantages of metal hard seal and elastic seal. It has excellent sealing performance under low and high temperature conditions, and has the characteristics of corrosion resistance and long service life.
3. The sealing surface of the butterfly plate adopts surfacing cobalt-based hard alloy, and the sealing surface is wear-resistant and has a long service life.
4. Large size butterfly board adopts quilting structure, high strength, large flow area, small flow resistance
5. Wafer type hard seal butterfly valve has a bidirectional sealing function, which is not restricted by the flow direction of the medium during installation, nor is it affected by the position of the space, and can be installed in any direction
6. The driving device can be installed in multiple stations (rotation 90 ° or 180 °), which is convenient for users
【Performance parameters】
|
model |
D373H-10C ~ 40 |
D373H-10P ~ 40 |
|
|
D373Y-1 0C ~ 40 |
D373Y-10P ~ 40 |
||
|
Working pressure (MPa) |
1.0 ~ 4.0 |
||
|
Applicable temperature (℃) |
≤300 |
||
|
Applicable medium |
Water, oil, steam, etc. |
||
|
material |
Valve body, butterfly plate |
Cast steel |
Austenitic stainless steel |
|
Stem |
40Cr |
Austenitic stainless steel |
|
|
Sealing surface matching material |
Stainless steel / stainless steel |
Stainless steel / Stellite |
|
|
filler |
Flexible graphite |
Polytetrafluoroethylene |
|
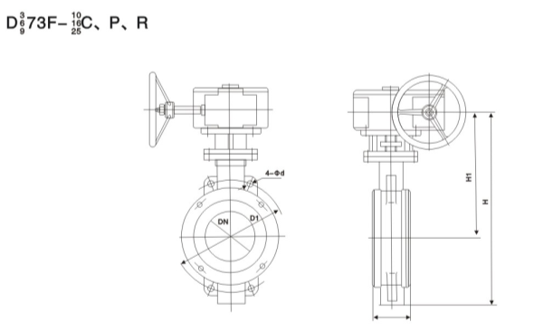
【Main appearance and connection size】
|
Nominal diameter DN |
Main dimensions |
Flange size |
|||||||
|
1.0MPa |
1.6MPa |
2.5MPa |
|||||||
|
L |
H1 |
H |
D1 |
n-Φd |
D1 |
n-Φd |
D1 |
n-Φd |
|
|
50 |
43 |
255 |
340 |
125 |
4-18 |
125 |
4-18 |
125 |
4-18 |
|
65 |
46 |
280 |
370 |
145 |
4-18 |
145 |
4-18 |
145 |
4-18 |
|
80 |
49 |
285 |
385 |
160 |
4-18 |
160 |
4-18 |
160 |
4-18 |
|
100 |
56 |
310 |
430 |
180 |
4-18 |
180 |
4-18 |
190 |
4-22 |
|
125 |
64 |
310 |
440 |
210 |
4-18 |
210 |
4-18 |
220 |
4-26 |
|
150 |
70 |
315 |
475 |
240 |
4-23 |
240 |
4-22 |
250 |
4-26 |
|
200 |
71 |
380 |
590 |
295 |
4-23 |
295 |
4-22 |
310 |
4-26 |
|
250 |
76 |
460 |
710 |
350 |
4-23 |
355 |
4-26 |
370 |
4-30 |
|
300 |
83 |
475 |
725 |
400 |
4-23 |
410 |
4-26 |
430 |
4-30 |
|
350 |
92 |
510 |
830 |
460 |
4-23 |
470 |
4-26 |
490 |
4-33 |
|
400 |
102 |
550 |
900 |
515 |
4-25 |
525 |
4-30 |
550 |
4-36 |
|
450 |
114 |
590 |
970 |
565 |
4-25 |
585 |
4-30 |
600 |
4-36 |
|
500 |
127 |
610 |
1030 |
620 |
4-25 |
650 |
4-33 |
660 |
4-36 |
|
600 |
154 |
660 |
1150 |
725 |
4-30 |
770 |
4-36 |
770 |
4-39 |
|
700 |
165 |
730 |
1220 |
840 |
4-30 |
840 |
4-36 |
875 |
4-42 |
|
800 |
190 |
810 |
1300 |
950 |
4-34 |
950 |
4-39 |
990 |
4-48 |
|
900 |
203 |
930 |
1480 |
1050 |
4-34 |
1050 |
4-39 |
1090 |
4-48 |
|
1000 |
216 |
1020 |
1600 |
1160 |
4-34 |
1170 |
4-42 |
1210 |
4-56 |
【Structure picture】
If you have any enquiry about quotation or cooperation,please feel free to email us at info@cnlg-valve.com or use the following enquiry form. Our sales representative will contact you within 24 hours. Thank you for your interest in our products.