
Butterfly valve butterfly valve installed in the diameter of the pipeline direction. In the butterfly valve body cylindrical channel, the disc-shaped disc rotates about the axis, the rotation angle is between 0 ° ~ 90 °, when rotated to 90 °, the valve is fully open state card. The characteristics of the new high-life stainless steel butterfly valve and butterfly valve in the course of the existence of problems, this type of valve should generally be safe in the pipeline
Product Usage
Butterfly valve butterfly valve installed in the diameter of the pipeline direction. In the butterfly valve body cylindrical channel, the disc-shaped disc rotates about the axis, the rotation angle is between 0 ° ~ 90 °, when rotated to 90 °, the valve is fully open state card. The characteristics of the new high-life stainless steel butterfly valve and butterfly valve in the course of the existence of problems, this type of valve in the pipeline should be generally horizontal installation. Soft sealing butterfly valve can be divided according to the connection can be flanged soft sealing butterfly valve, soft sealing butterfly valve, welding soft sealing butterfly valve.
Features
1. Small and lightweight, easy disassembly and maintenance, and can be installed in any location;
2. The structure is simple, compact, 90 ° turn quickly open;
3. Operating torque, light and labor-saving;
4. Flow characteristics tend to be straight, good regulation performance;
5. The number of opening and closing test up to tens of thousands of times, long life;
6. Seals can be replaced, sealed and reliable to achieve two-way seal, gas leak test is zero;
7. Sealing material aging resistance, corrosion resistance, suitable for a variety of media.
Performance specifications
|
Nominal diameterDN |
50-1200 |
|||||||
|
Nominal pressureMPa |
0.6 |
1 |
1.6 |
|||||
|
Nominal pressureMPa |
Strength test |
0.9 |
1.5 |
2.4 |
||||
|
Seal test |
0.66 |
1.1 |
1.76 |
|||||
|
材料 |
Material code |
|||||||
|
C |
P |
R |
||||||
|
The main parts |
Valve stem |
WCB |
0Cr18Ni9 |
0Cr17Ni12Mo2 |
||||
|
Butterfly plate |
WCB |
0Cr18Ni9 |
0Cr17Ni12Mo2 |
|||||
|
Valve stem |
2Cr13 |
0Cr18Ni9 |
0Cr17Ni12Mo2 |
|||||
|
Sealing ring |
Ding Qing B CD fluorine plastic |
|||||||
|
Filler |
Ding Qing flexible graphite V-rubber pad |
|||||||
|
Applicable conditions |
Suitable media |
Water, steam, oil |
Nitric acids |
Acetic acid |
||||
|
proper temperature |
-40℃~200℃ |
|||||||
|
Actuator |
Model |
GT or AW series |
||||||
|
Air pressure |
0.3-0.7MPa |
|||||||
|
Implementation standards |
Design and manufacture |
Structure length |
Flange size |
Pressure temperature |
Test and test |
|||
|
GB/T12238 |
GB12221 |
GB9113 |
GB9131 |
GB13927 |
||||
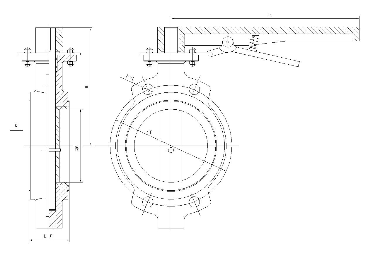
The main shape and connection size
|
PN |
DN |
L |
D |
D1 |
D2 |
Z-d |
b |
f |
H |
H0 |
|
1.0 |
50 |
108 |
165 |
125 |
99 |
4-18 |
20 |
2 |
170 |
130 |
|
1.0 |
65 |
112 |
185 |
145 |
118 |
4-18 |
20 |
2 |
170 |
145 |
|
1.0 |
80 |
114 |
200 |
160 |
132 |
8-18 |
20 |
2 |
230 |
152 |
|
1.0 |
100 |
127 |
220 |
180 |
156 |
8-18 |
22 |
2 |
320 |
192 |
|
1.0 |
125 |
140 |
250 |
210 |
184 |
8-18 |
22 |
2 |
345 |
200 |
|
1.0 |
150 |
140 |
285 |
240 |
211 |
8-22 |
24 |
2 |
385 |
230 |
|
1.0 |
200 |
152 |
340 |
295 |
266 |
8-22 |
24 |
2 |
471 |
297 |
|
1.0 |
250 |
165 |
405 |
355 |
319 |
12-22 |
26 |
2 |
533 |
327 |
|
1.0 |
300 |
178 |
445 |
400 |
370 |
12-22 |
26 |
2 |
606 |
364 |
|
1.0 |
350 |
190 |
505 |
460 |
429 |
16-22 |
26 |
2 |
694 |
404 |
|
1.0 |
400 |
216 |
565 |
515 |
480 |
16-26 |
26 |
2 |
757 |
444 |
|
1.0 |
450 |
222 |
615 |
565 |
530 |
20-26 |
28 |
2 |
814 |
472 |
|
1.0 |
500 |
229 |
670 |
620 |
582 |
20-26 |
28 |
2 |
902 |
522 |
|
1.0 |
600 |
267 |
780 |
725 |
682 |
20-30 |
34 |
2 |
1048 |
590 |
|
1.0 |
700 |
292 |
895 |
840 |
794 |
24-30 |
34 |
5 |
1277 |
810 |
|
1.0 |
800 |
318 |
1015 |
950 |
901 |
24-33 |
36 |
5 |
1385 |
844 |
|
1.0 |
900 |
330 |
1115 |
1050 |
1001 |
28-33 |
38 |
5 |
1490 |
890 |
|
1.0 |
1000 |
410 |
1230 |
1160 |
1112 |
28-36 |
38 |
5 |
1620 |
950 |
|
1.6 |
50 |
108 |
165 |
125 |
99 |
4-18 |
20 |
2 |
170 |
130 |
|
1.6 |
65 |
112 |
185 |
145 |
118 |
4-18 |
20 |
2 |
170 |
145 |
|
1.6 |
80 |
114 |
200 |
160 |
132 |
8-18 |
20 |
2 |
230 |
152 |
|
1.6 |
100 |
127 |
220 |
180 |
156 |
8-18 |
22 |
2 |
320 |
192 |
|
1.6 |
125 |
140 |
250 |
210 |
184 |
8-18 |
22 |
2 |
345 |
200 |
|
1.6 |
150 |
140 |
285 |
240 |
211 |
8-22 |
24 |
2 |
385 |
230 |
|
1.6 |
200 |
152 |
340 |
295 |
266 |
12-22 |
24 |
2 |
471 |
297 |
|
1.6 |
250 |
165 |
405 |
355 |
319 |
12-26 |
26 |
2 |
533 |
327 |
|
1.6 |
300 |
178 |
460 |
410 |
370 |
12-26 |
28 |
2 |
606 |
364 |
|
1.6 |
350 |
190 |
520 |
470 |
429 |
16-26 |
30 |
2 |
694 |
404 |
|
1.6 |
400 |
216 |
580 |
525 |
480 |
16-30 |
32 |
2 |
757 |
444 |
|
1.6 |
450 |
222 |
640 |
585 |
548 |
20-30 |
40 |
2 |
814 |
472 |
|
1.6 |
500 |
229 |
715 |
650 |
609 |
20-33 |
44 |
2 |
902 |
522 |
|
1.6 |
600 |
267 |
840 |
770 |
720 |
20-36 |
54 |
2 |
1048 |
590 |
|
1.6 |
700 |
292 |
910 |
840 |
794 |
24-36 |
40 |
5 |
1277 |
810 |
|
1.6 |
800 |
318 |
1025 |
950 |
901 |
24-39 |
42 |
5 |
1385 |
844 |
|
1.6 |
900 |
330 |
1125 |
1050 |
1001 |
28-39 |
44 |
5 |
1490 |
890 |
|
1.6 |
1000 |
410 |
1225 |
1170 |
1112 |
28-42 |
46 |
5 |
1620 |
950 |
|
2.5 |
50 |
108 |
165 |
125 |
99 |
4-18 |
20 |
2 |
170 |
130 |
|
2.5 |
65 |
112 |
185 |
145 |
118 |
8-18 |
22 |
2 |
265 |
210 |
|
2.5 |
80 |
114 |
200 |
160 |
132 |
8-18 |
24 |
2 |
310 |
233 |
|
2.5 |
100 |
127 |
235 |
190 |
156 |
8-22 |
24 |
2 |
343 |
242 |
|
2.5 |
125 |
140 |
270 |
220 |
184 |
8-26 |
26 |
2 |
385 |
254 |
|
2.5 |
150 |
140 |
300 |
250 |
211 |
8-26 |
28 |
2 |
445 |
580 |
|
2.5 |
200 |
152 |
360 |
310 |
274 |
12-26 |
30 |
2 |
510 |
297 |
|
2.5 |
250 |
165 |
425 |
370 |
330 |
12-30 |
32 |
2 |
569 |
339 |
|
2.5 |
300 |
178 |
485 |
430 |
389 |
16-30 |
34 |
2 |
653 |
375 |
|
2.5 |
350 |
190 |
555 |
490 |
448 |
16-33 |
38 |
2 |
730 |
420 |
|
2.5 |
400 |
216 |
620 |
550 |
503 |
16-36 |
40 |
2 |
810 |
463 |
|
2.5 |
450 |
222 |
670 |
600 |
548 |
20-36 |
46 |
2 |
850 |
495 |
|
2.5 |
500 |
229 |
730 |
660 |
609 |
20-36 |
48 |
2 |
940 |
566 |
|
2.5 |
600 |
267 |
845 |
770 |
720 |
20-39 |
58 |
2 |
1150 |
630 |
|
2.5 |
700 |
292 |
960 |
875 |
820 |
24-42 |
58 |
5 |
1195 |
727 |
|
2.5 |
800 |
318 |
1085 |
990 |
609 |
24-36 |
58 |
5 |
1268 |
810 |
Structure picture
If you have any enquiry about quotation or cooperation,please feel free to email us at info@cnlg-valve.com or use the following enquiry form. Our sales representative will contact you within 24 hours. Thank you for your interest in our products.