
D373H, D373Y butterfly valve butterfly valve with precision J-shaped elastic seal and three eccentric multi-layer metal hard seal structure, is widely used in the dielectric temperature ≤ 425 ℃ gold, electricity, petrochemicals, as well as water supply and municipal construction Industrial piping, for regulating the flow and breaking the fluid to use.
Product Usage
D373H, D373Y butterfly valve butterfly valve with precision J-shaped elastic seal and three eccentric multi-layer metal hard seal structure, is widely used in the dielectric temperature ≤ 425 ℃ gold, electricity, petrochemicals, as well as water supply and municipal construction Industrial piping, for regulating the flow and breaking the fluid to use.
Features
1. The butterfly valve butterfly valve with three eccentric seal structure, the valve seat and disc almost no wear and tear, with more tight sealing function
2. The seal ring made of stainless steel, with a metal seal and the advantages of flexible double seal, both in the case of low temperature and high temperature, have excellent sealing performance, corrosion resistance, long service life
3. The sealing surface of the disc welding cobalt-based hard alloy, wear-resistant sealing surface, long life
4. Large-format butterfly plate frame structure, high strength, large flow area, small flow resistance
5. The folder-type hard-sealed butterfly valve with two-way sealing function, the installation is not limited by the flow of media, but also the location of space, can be installed in any direction
6. The drive can be multi-station (rotated 90 ° or 180 °) installation, user-friendly
Performance parameters
|
Model |
D373H-10C~40 |
D373H-10P~40 |
|
|
D373Y-10C~40 |
D373Y-10P~40 |
||
|
Work pressure(MPa) |
1.0~4.0 |
||
|
Proper temperature(℃) |
≤300 |
||
|
Suitable media |
Water, oil, steam and so on |
||
|
Material |
Body, disc |
Cast steel |
Austenitic stainless steel |
|
Valve stem |
40Cr |
Austenitic stainless steel |
|
|
Sealing surface matching material |
Stainless steel / stainless steel |
Stainless steel / Secretary Stanley |
|
|
Filler |
flexible graphite |
Teflon |
|
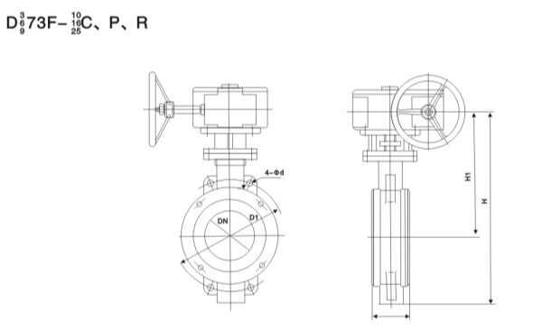
The main shape and connection size
|
Nominal diameterDN |
Main dimensions |
Flange size |
|||||||
|
1.0MPa |
1.6MPa |
2.5MPa |
|||||||
|
L |
H1 |
H |
D1 |
n-Φd |
D1 |
n-Φd |
D1 |
n-Φd |
|
|
50 |
43 |
255 |
340 |
125 |
4-18 |
125 |
4-18 |
125 |
4-18 |
|
65 |
46 |
280 |
370 |
145 |
4-18 |
145 |
4-18 |
145 |
4-18 |
|
80 |
49 |
285 |
385 |
160 |
4-18 |
160 |
4-18 |
160 |
4-18 |
|
100 |
56 |
310 |
430 |
180 |
4-18 |
180 |
4-18 |
190 |
4-22 |
|
125 |
64 |
310 |
440 |
210 |
4-18 |
210 |
4-18 |
220 |
4-26 |
|
150 |
70 |
315 |
475 |
240 |
4-23 |
240 |
4-22 |
250 |
4-26 |
|
200 |
71 |
380 |
590 |
295 |
4-23 |
295 |
4-22 |
310 |
4-26 |
|
250 |
76 |
460 |
710 |
350 |
4-23 |
355 |
4-26 |
370 |
4-30 |
|
300 |
83 |
475 |
725 |
400 |
4-23 |
410 |
4-26 |
430 |
4-30 |
|
350 |
92 |
510 |
830 |
460 |
4-23 |
470 |
4-26 |
490 |
4-33 |
|
400 |
102 |
550 |
900 |
515 |
4-25 |
525 |
4-30 |
550 |
4-36 |
|
450 |
114 |
590 |
970 |
565 |
4-25 |
585 |
4-30 |
600 |
4-36 |
|
500 |
127 |
610 |
1030 |
620 |
4-25 |
650 |
4-33 |
660 |
4-36 |
|
600 |
154 |
660 |
1150 |
725 |
4-30 |
770 |
4-36 |
770 |
4-39 |
|
700 |
165 |
730 |
1220 |
840 |
4-30 |
840 |
4-36 |
875 |
4-42 |
|
800 |
190 |
810 |
1300 |
950 |
4-34 |
950 |
4-39 |
990 |
4-48 |
|
900 |
203 |
930 |
1480 |
1050 |
4-34 |
1050 |
4-39 |
1090 |
4-48 |
|
1000 |
216 |
1020 |
1600 |
1160 |
4-34 |
1170 |
4-42 |
1210 |
4-56 |
Structure picture
If you have any enquiry about quotation or cooperation,please feel free to email us at info@cnlg-valve.com or use the following enquiry form. Our sales representative will contact you within 24 hours. Thank you for your interest in our products.