
H41T type PN16 ~ PN100 lifting check valve is the production process regulation system is an important part of the pipeline is to control the flow of media one-way valve to prevent media backflow.
Product Usage
H41T type PN16 ~ PN100 lifting check valve is the production process regulation system is an important part of the pipeline is to control the flow of media one-way valve to prevent media backflow.
Features
1. H41T lift check valve has the advantages of simple structure, reliable operation, easy maintenance, etc., widely used in the purification equipment, petroleum, chemical, metallurgy, electric power, textile and other production processes
2. When the medium flows into the valve body by the arrow of the valve body, the pressure of the medium acts on the valve disc to generate an upward thrust force, and when the medium thrust force is greater than the valve gravity, the valve is opened. When the valve medium pressure on the role of the valve plus the valve gravity is greater than the pressure on the valve before the valve pressure, the valve closed to prevent the media back
Performance parameters
|
model |
H41T-10 |
|
|
Work pressure(MPa) |
10 |
|
|
proper temperature(℃) |
≤425 |
|
|
Suitable media |
Water, steam, oil |
|
|
material |
Body, bonnet |
Carbon steel |
|
Sealing surface |
Surfacing copper alloy |
|
|
Gasket |
Strap graphite wrapped around |
|
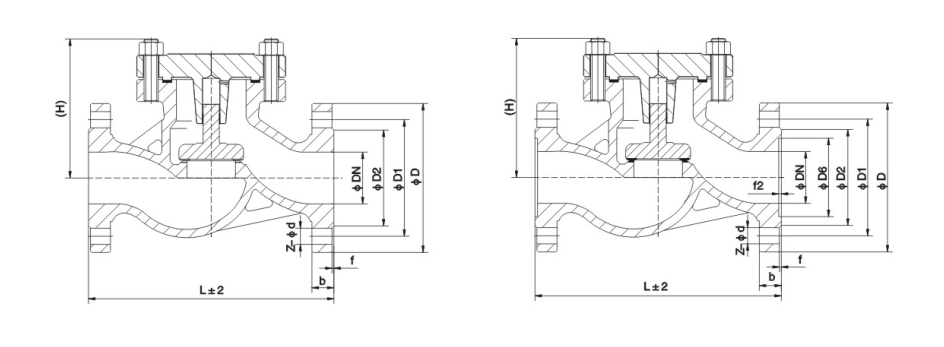
The main shape and connection dimensions
|
Nominal diameter |
The main dimensions and connection dimensions |
||||||
|
L |
D |
D1 |
D2 |
b |
Z-d |
H |
|
|
H41T-10 |
|||||||
|
15 |
130 |
95 |
65 |
45 |
14 |
4-14 |
77 |
|
20 |
150 |
105 |
75 |
55 |
14 |
4-14 |
77 |
|
25 |
160 |
115 |
85 |
65 |
14 |
4-14 |
80 |
|
32 |
180 |
135 |
100 |
75 |
16 |
4-18 |
85 |
|
40 |
200 |
145 |
110 |
85 |
16 |
4-18 |
95 |
|
50 |
230 |
160 |
125 |
100 |
16 |
4-18 |
105 |
|
65 |
290 |
180 |
145 |
120 |
18 |
4-18 |
120 |
|
80 |
310 |
195 |
160 |
135 |
20 |
8-18 |
130 |
|
100 |
350 |
215 |
180 |
155 |
20 |
8-18 |
140 |
|
125 |
400 |
245 |
210 |
185 |
22 |
8-18 |
155 |
|
150 |
480 |
280 |
240 |
210 |
24 |
8-23 |
180 |
|
200 |
600 |
335 |
295 |
265 |
26 |
12-23 |
215 |
|
250 |
730 |
405 |
355 |
320 |
30 |
12-25 |
260 |
|
300 |
850 |
460 |
410 |
375 |
34 |
12-25 |
315 |
|
H41T-16 |
|||||||
|
15 |
130 |
95 |
65 |
45 |
16 |
4-14 |
100 |
|
20 |
150 |
105 |
75 |
55 |
16 |
4-14 |
105 |
|
25 |
160 |
115 |
85 |
65 |
16 |
4-14 |
120 |
|
32 |
180 |
135 |
100 |
78 |
18 |
4-18 |
130 |
|
40 |
200 |
145 |
110 |
85 |
18 |
4-18 |
135 |
|
50 |
230 |
160 |
125 |
100 |
20 |
4-18 |
149 |
|
65 |
290 |
180 |
145 |
120 |
22 |
8-18 |
160 |
|
80 |
310 |
195 |
160 |
135 |
22 |
8-18 |
169 |
|
100 |
350 |
230 |
190 |
160 |
24 |
8-23 |
194 |
|
125 |
400 |
270 |
220 |
180 |
28 |
8-25 |
222 |
|
150 |
480 |
300 |
250 |
218 |
30 |
8-25 |
255 |
|
200 |
600 |
360 |
310 |
278 |
34 |
12-25 |
305 |
|
250 |
730 |
425 |
370 |
332 |
36 |
12-30 |
355 |
|
300 |
850 |
485 |
430 |
390 |
40 |
16-30 |
410 |
Structure picture
If you have any enquiry about quotation or cooperation,please feel free to email us at info@cnlg-valve.com or use the following enquiry form. Our sales representative will contact you within 24 hours. Thank you for your interest in our products.