Aeration Butterfly Valve
  Location — Product — Butterfly valve — Aeration Butterfly Valve
Name:

Aeration Butterfly Valve

Category:

Butterfly valve

Remark:

D341H, D341W PN0.5 ~ PN1 Ventilation Butterfly Valve Regulates the flow or cut-off device as a gas medium in dusty cold air or hot-air gas pipes for ventilation and environmental projects in metallurgy, chemical industry, building materials, power plants and glass industries.

Inquiry Contact us

Product Usage

     D341H, D341W PN0.5 ~ PN1 Ventilation Butterfly Valve Regulates the flow or cut-off device as a gas medium in dusty cold air or hot-air gas pipes for ventilation and environmental projects in metallurgy, chemical industry, building materials, power plants and glass industries.

  

Features

The structure of the ventilation butterfly valve is welded by using the mid-line butterfly plate and the short-structure steel plate. Therefore, there are no components such as connecting rods and bolts in the interior of the butterfly valve and no component problems occur during use. Therefore, the failure rate is very low. Very easy to use. Is a reliable valve device. And because its sealing system uses a metal seal, although the sealing effect is not as flexible seal, but the service life is longer than the flexible seal, and has high temperature characteristics. So in building materials, electricity, metallurgy and other industries have a wide range of applications. In the medium temperature of not more than 300 degrees pipeline, can be the perfect connection and closing adjustment. This butterfly valve can also be customized according to customer needs, very user-friendly.

Because the butterfly valve butterfly valve body and the gap between the large, there is enough room for expansion, so in the course of its use can effectively prevent the temperature change due to thermal expansion and contraction of the situation, it will not produce the butterfly Card stuck phenomenon. There are a variety of common butterfly valve drive, a manual drive, there are electric drive and pneumatic drive, etc., the choice of a very large room. Because of the material reason, this kind of butterfly valve also possesses the characteristic of the high temperature, when the switch will not have the friction, the service life is very long. Ventilated butterfly valve is a valve made of welded steel plate, it has the characteristics of small size, light weight and easy installation, but also because of its small flow resistance, large flow, will not be affected by high temperature expansion. Its driving torque is small, the switch is very flexible, so it is easy to operate. By the industry's favorite.

  

Installation Notes

Ventilation butterfly valve installation is crucial, because the installation is directly related to the quality of machinery used, so we must be careful when installing the ventilation butterfly valve, and pay attention to the relevant issues! Here Xiaotian Xiaobian take everyone together to explore it!

The structure of the ventilation butterfly valve is designed and manufactured with a new type of structure welded by a midline dish and a short structural steel plate. The utility model has the advantages of compact structure, light weight, convenient installation, small flow resistance, large flow, avoiding the influence of high temperature expansion and convenient operation. Ventilation butterfly valve without connecting rods, bolts, etc., reliable, long service life. Ventilation butterfly valve is a non-closed butterfly valve, widely used in building materials, metallurgy, mining, electricity and other production processes of medium temperature ≤ 300 ℃ Nominal pressure of 0.1Mpa pipeline, to connect, open or close or adjust the media volume.

Ventilation butterfly valves should be installed horizontally in pipelines in general, and should be used in the dusty cold air or hot air ducts for ventilation and environmental protection projects in chemical industry, building materials, power stations and glass industries, and to be used as the pipeline control device for regulating the flow rate or cutting off of the gas medium.

 

Product main parameters

Nominal pressure(MPa)

0.05MPa

Medium temperature

-30℃~-350℃

Strength test

0.1MPa

Suitable media

Hot and cold wind, smoke

Medium flow rate

25m/s

Leak rate

3%

 

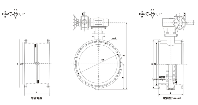
The main shape and connection size

DN

D

D1

L

L1

L2

n-Фd

b

300

405

370

120

716

220

8-12

10

350

455

420

140

786

240

8-14

10

400

505

470

140

924

270

12-18

10

450

570

530

160

999

295

12-18

10

500

620

580

160

1079

325

12-18

10

600

720

680

180

1140

380

16-18

12

700

820

780

180

1240

430

16-18

12

800

920

880

200

1350

490

16-18

12

900

1040

990

200

1450

540

16-18

14

1000

1140

1090

220

1550

590

20-18

14

1100

1240

1190

220

1800

640

20-18

14

1200

1340

1290

240

1900

690

20-18

14

1300

1440

1390

240

2020

760

20-18

16

1400

1540

1490

260

2120

810

24-18

16

1500

1640

1590

260

2220

860

24-18

16

1600

1740

1690

280

2390

980

24-18

16

1700

1840

1790

280

2590

1030

28-22

16

1800

1940

1890

300

2709

1096

28-22

16

1900

2040

1990

300

2826

1146

32-22

16

2000

2150

2090

320

2926

1196

32-26

16

2200

2360

2300

340

3126

1296

36-26

16

2400

2560

2500

360

3326

1396

36-26

18

2600

2760

2700

380

3526

1496

40-26

18

2800

2960

2900

400

3726

1596

40-26

18

3000

3190

3110

400

4098

1698

44-30

18

3200

3390

3310

440

4338

1798

44-30

20

3400

3590

3510

440

4578

1898

48-30

20

3600

3790

3710

480

4780

1998

48-30

20

3800

4000

3910

480

5000

2098

52-30

22

4000

4210

4120

520

5200

2210

52-30

22

 

Structure picture


 

Inquiry

If you have any enquiry about quotation or cooperation,please feel free to email us at info@cnlg-valve.com or use the following enquiry form. Our sales representative will contact you within 24 hours. Thank you for your interest in our products.